Kurv 0
DEFA Can-bus alarm

DEFA Can-bus alarm

2.995,00 kr
med moms

DEFA Can-bus alarm

CAN er en forkortelse for “Controller Area Network”, og som navnet antyder, er der her tale om et system, der gør kommunikation mellem mikroprocessor styrede "små" systemer mulig. I dag anvendes CAN-bus på mange europæiske biltyper og modeller.

Nem montering.
- Mindre forbindelser til bilens elektriske system
- Mindre tidsforbrug ved montering
- Mere sikker montering (mindre mulighed for fejl montering)

Udvidet funktionalitet.
- Fuldt ud tilpasset bilmodellen
- ”Safe Lock” funktion
- Komfort åbning/lukning af ruder
- Alarm ved forsøg på gennembrydning af dørlås cylindrene

Beskrivelse:
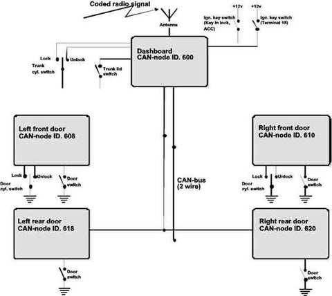
Alle enheder på samme bus taler og forstår et fælles elektronisk sprog. Datakommunikationen foregår fysisk over 2 sammensnoede (twisted pair) ledninger, som er lagt mellem elektronikenhederne i bilen. Elektronikenheder, der er tilsluttet til CAN-bus, kaldes "noder". Hver node er tildelt et unikt ID nr. i systemet, og jo lavere et nummer en node har desto større prioritet.

CAN systemet - i modsætning til mange andre systemer - adresserer ikke noder, det ønsker at kommunikere med. Alle noder modtager de samme meddelelser, men hver node genkender sine egne budskaber og reagerer på disse. Man siger, at systemet er indholdsorienteret, og dette giver stor fleksibilitet, hvis systemet skal udvides med flere noder. Dette betyder også, at noder, som kun skal "lytte", ikke vil forårsage nogen ændringer på eksisterende systemer, hverken i softwaren eller den elektroniske interface.

Hvordan CAN systemet virker kan nemt forklares med et eksempel. Fx hvis fjernbetjeningen sender en besked om, at venstre fordør skal låses, så vil node ID nr. 600 (RF modtager) modtage denne besked via dens radio. Noden udsender derefter et datasignal på bussen, som betyder "lås venstre fordør". Alle noder modtager denne besked, men kun node ID nr. 608 vil forstå informationen og udføre kommandoen. Da node 600 har den højeste prioritet i systemet, så vil al anden aktivitet i bussen blive afbrudt, indtil den pågældende kommando er udført. Afbrudte meldinger vil blive gentaget senere og udført automatisk i CAN systemet.

Tekniske data: Det mest brugte CAN system (ISO 11898 2.0 A format) kommunikerer vha. elektriske datasignaler i et såkaldt NRZ (Non Return to Zero) format. Denne type signal sammen med brug af "twisted pair" ledninger gør, at systemet er meget immun overfor støj samtidig med, at det heller ikke selv afgiver ret meget støj til omgivelserne.

DEFA alarm og CAN: DEFA CAN-alarm benytter nøjagtigt den samme interface mod bussen som originalsystemet. Alarmen opererer kun i "lytte" modus og repræsenterer dermed ingen konflikter med det originale system, hverken med hensyn til konfiguration eller belastningsmæssigt.

Alarmen registrerer kun den signalaktiviteten på bussen. Den er oplært til at forstå det sprog, der tales, og genkende de beskeder, som er relevant for alarmfunktionerne (tænding tilsluttet, åben dør, bagageklap åben etc.)

DEFA er formentlig den første bilalarm producent på eftermarkedet, som har tilpasset sine produkter til den nye teknologi. Alarmen tilsluttes med bilens originale fjernbetjening eller en DEFA fjernbetjening. CAN alarmen er tilpasset de enkelte bilmodeller.


Del dette produkt